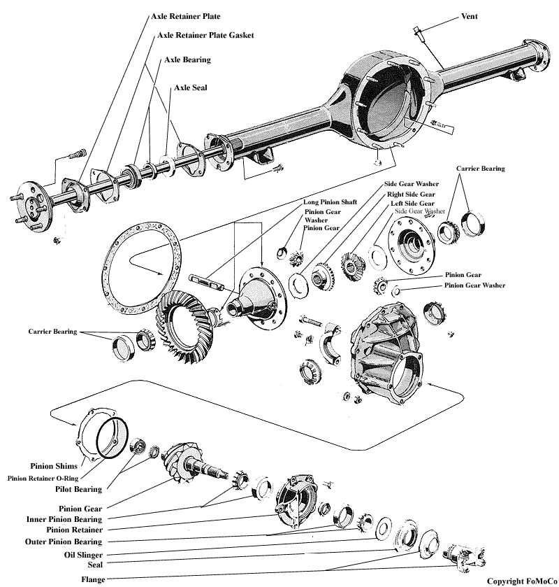
Automotiva Obscura: The Ford 9 3/8″ Differential

Automotiva Obscura is your (incredibly nerdy) dose of rare, odd, obscure, or otherwise unknown automobilia. In 1957, Ford introduced what may be the single greatest rear axle ever conceived: The Ford 9 inch. This thing had it all–large diameter ring gear, fully removable pinion and center section, large carrier bearings, and a strong case. EvenContinue reading “Automotiva Obscura: The Ford 9 3/8″ Differential”